It has been a couple of months since we had some good ol' gun porn, this month it is all about semi-auto rifles.
A blog dedicated to the love of guns, gun restoration, repair and customization
About Me: A certified yet non-professional gunsmith learning the trade through trail and inspiration
Wednesday, January 30, 2019
Sunday, January 27, 2019
Ammo Review: 9mm 115gr FMJ
We are starting a new segment here at the blog: Ammo Reviews.
I was contacted recently by the folks at Widener's Reloading and Shooting Supply and asked if I would be willing to perform reviews of ammunition.
I couldn't say no, for a few reasons. The first one being that I NEEDED something to push me to do more shooting. It seems that I have been spending too much time working on guns and not nearly enough time shooting them.
Second, it has long been my hope that this blog would pick up sponsors...enough sponsors that this could become a full time gig.
Before we get started I have to say thanks to the people at Widener's for putting their faith in me.
When thinking about how I should perform the review I visited several websites that did reviews on ammo. Some were overly thorough, others only did a cursory examination. I decided that I would touch on a little of everything, covering the company that makes the ammo, past history, then get into the details of the components and finally shoot the product and see how it performs.
This month we will be looking at three brands of 9mm 115 grain Full Metal Jacket ammunition.
We will be using a CZ75 Copy from Tanfoglio (TZ75)
Up first is Wolf Polyformance:
Any shooter with a Com-block weapon should recognize the name Wolf. Wolf was founded in 2005 and is owned by Sporting Supplies International based out of Placentia, CA. For years the ammo was made by the TULA factory in Russia, word has it that Tula no longer makes ammo for Wolf, but this box is clearly stamped "Made in Russia"
As you might expect with any cartridge box emanating from the former Soviet Union, it is also stamped as "Non-Corrosive" something you rarely find on domestic made ammo.
The name "Polyformance" is a conjunction referring to the use of a polyurethane coating on the steel case to prevent the formation of iron-oxide. There were, for a time, rumors that this was a lacquer coating and would gum up your chamber or worse glue a case to the chamber walls.
While the issues with a lacquer coating are true of some Soviet made surplus ammo (I ran into some 7.62x54R ammo that was lacquer coated) it is not true of Polyformance ammo.
Incidentally Wolf does offer a 100% Performance Guarantee, click here for details.
As mentioned above the cases are made from steel and given a polymer coating. The cartridges appeared to have a taper crimp, although it is hard to tell.
The head stamps reads 9mm Luger along with a symbol.
I had read that some of the Wolf ammo uses steel or a steel/lead alloy in their bullets. So I used a magnet to check and sure enough the magnet stuck to the bullet. To be sure I wasn't getting a false reading from the steel case I pulled a bullet and checked it again. It took considerable effort to get the bullet to come loose from the case (evidence of a tight crimp) and once separated the bullet easily stuck to a magnet.
Further research uncovered differing stories. One source claimed the jacket on the Wolf bullets is made from sheets of thin steel and copper. Another claimed the jacket is steel that has been copper plated.
On with the testing.......
I began with a simple measuring of the cartridge. I took five random cartridges from the box of 50 and measured them:
Cartridge #1: 1.165"
Cartridge #2: 1.167"
Cartridge #3: 1.1635"
Cartridge #4: 1.155"
Cartridge #5: 1.162"
That gives us an average of 1.1625" with a variance of .012"
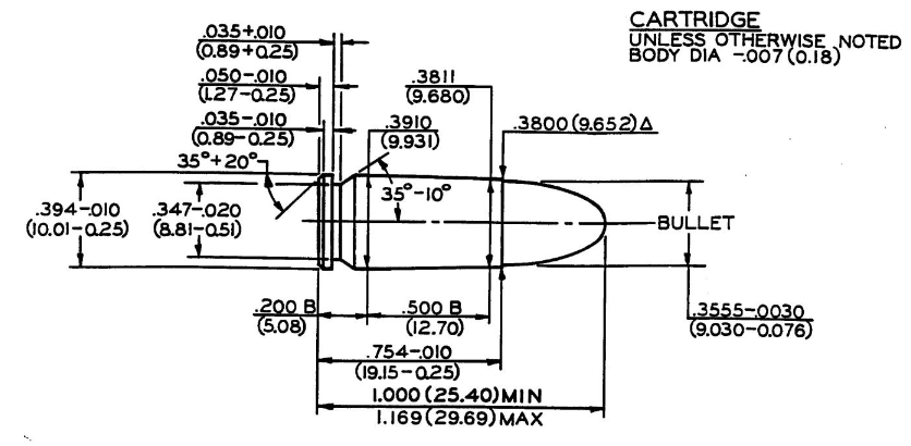
The SAAMI specs give us a minimum Combined Overall Length of 1.00" and a maximum of 1.169"
So while the cartridge length is not very consistent, it is with chamber specs.
Next I weighed them on my digital scale
Cartridge #1: 174.8 grains
Cartridge #2: 174.1 grains
Cartridge #3: 173.6 grains
Cartridge #4: 174.8 grains
Cartridge #5: 172.4 grains
That gives us an average of 173.94 grains with a variance of 1.2 grains
Prior to this session of shooting, I had never fired Wolf brand ammo (or any steel cased ammo) from a handgun.
Wolf advertises on their website a muzzle velocity of 1,150 fps, being this is pistol ammo we have to assume it was tested with a 3-5" barrel (see it here)
The results were not very good, out of two magazine loads we couldn't get a single bullet over 1000 fps. The average was just 560 fps. The fastest only ran 587 fps and the slowest was 501, a deviation of 86 fps.
We thought there was a problem with the chronograph, so we shot back to back Wolf and Sellier & Bellot ammo, and got the same results (the S&B ammo was moving over 1000fps, while the Wolf was around 500 fps).
To make matters worse, we experienced multiple failures to cycle the slide enough to eject the spent cases, further evidence of low pressure.
Definitely not what I would expect from factory ammo.
Next up: Blazer Brass
Blazer has been a trade name of Cascade Cartridges Incorporated for a long time. Most notably used on their line of economically priced lead .22 LR ammunition. The "Brass" in the name would alert an astute investigator to belief that this ammo also comes in a non-brass case. That is true, there is another line of Blazer centerfire ammo that uses non-reloadable aluminum cases.
CCI out of Lewiston, Idaho was founded by Dick Speer, brother to Speer founder Vernon Speer in the early 1950s. Today it is owned by Vista Outdoor.
This particular box of ammo was made in Lewiston, ID. The Blazer website says they use Speer bullets and CCI primers in the construction of their ammunition....a tradition that continues...
The head stamps reads Blazer 9mm Luger separated by dots
As with the Wolf cartridges above, I measured the COAL and weight of five random cartridges. What I found was very surprising:
Cartridge #1: 1.155" - 183.6 grains
Cartridge #2: 1.155" - 183.3 grains
Cartridge #3: 1.154" - 183.3 grains
Cartridge #4: 1.156" - 183.2 grains
Cartridge #5: 1.155" - 183.0 grains
The consistency was impressive, the average length was 1.155" with a variance of .002", the average weight was 183.28 grains with a variance of .6 grains.
While I am no expert, and our measurements just scratched the surface, I would say this kind of consistency would be on par with match grade ammunition.
For the record I have purchased and shot several boxes of this exact ammo before, but I had never bothered to measure or weigh the ammo.
Blazer advertises this ammo to leave the muzzle of a 4" barrel at 1,145 fps. (see it here)
This ammo was also disappointing in the velocity department. We did not get a single cartridge that pushed a bullet faster than 1000 fps.
Just as a above we checked it against the S&B ammo and confirmed the equipment was operating properly.
The average speed was a dismal 495 fps, the fastest going 574 fps and the slowest at 423 fps giving us a deviation of 151 fps. Disappointing to say the least.
After weighing and measuring the bullets I had high hopes for the Blazer....maybe we just got a bad batch??
Next up: Sellier & Bellot
Sellier & Bellot was started in 1825 by a Frenchmen named Louis Sellier. He set up shot in Bohemia (now in the Czech Republic) and was soon joined by fellow Frenchman Jean Bellot. The company operates from the town of Vlašim, Czech Republic.
The cartridges also have a distinct look, the brass case and copper plated bullet are the same color, which leads me to believe the full metal jacket bullet is washed or plated in brass.
These cartridges also have a very noticeable rolled crimp.
The head stamps reads S&B 9mm Luger and 18 for 2018
Again I measured the COAL and weight of five random cartridges. I found this ammo to be quite consistent as well.
Cartridge #1: 1.160" - 184.0 grains
Cartridge #2: 1.158" - 184.3 grains
Cartridge #3: 1.156" - 184.0 grains
Cartridge #4: 1.162" - 184.1 grains
Cartridge #5: 1.157" - 184.0 grains
The average length was 1.1586" with a variance of .005", the average weight was 184.08 grains with a variance of .3 grains.
This was also impressive. I have never fired any factory S&B ammo, but I have reloaded hundreds of rounds using their spent brass and have never found an issue with it.
Sellier & Bellot's website states this ammo should leave a 6" barrel at 1,237fps (see the info here)
If it were not for the consistent and reliable performance of the S&B ammo we probably would have blamed the equipment for the dismal performance of the other two cartridges.
The S&B ammo ran very consistent, although not living up to their promise of 1,237 fps.
The average was 1,178 fps with the fastest moving at 1,200 fps and the slowest at 1,129 fps giving us a deviation of 71 fps. We experienced zero malfunctions with this ammo.
I have always been impressed with S&B ammo and these tests confirmed my confidence in them.
I was contacted recently by the folks at Widener's Reloading and Shooting Supply and asked if I would be willing to perform reviews of ammunition.
I couldn't say no, for a few reasons. The first one being that I NEEDED something to push me to do more shooting. It seems that I have been spending too much time working on guns and not nearly enough time shooting them.
Second, it has long been my hope that this blog would pick up sponsors...enough sponsors that this could become a full time gig.
Before we get started I have to say thanks to the people at Widener's for putting their faith in me.
When thinking about how I should perform the review I visited several websites that did reviews on ammo. Some were overly thorough, others only did a cursory examination. I decided that I would touch on a little of everything, covering the company that makes the ammo, past history, then get into the details of the components and finally shoot the product and see how it performs.
This month we will be looking at three brands of 9mm 115 grain Full Metal Jacket ammunition.
We will be using a CZ75 Copy from Tanfoglio (TZ75)
Up first is Wolf Polyformance:
Any shooter with a Com-block weapon should recognize the name Wolf. Wolf was founded in 2005 and is owned by Sporting Supplies International based out of Placentia, CA. For years the ammo was made by the TULA factory in Russia, word has it that Tula no longer makes ammo for Wolf, but this box is clearly stamped "Made in Russia"
As you might expect with any cartridge box emanating from the former Soviet Union, it is also stamped as "Non-Corrosive" something you rarely find on domestic made ammo.
The name "Polyformance" is a conjunction referring to the use of a polyurethane coating on the steel case to prevent the formation of iron-oxide. There were, for a time, rumors that this was a lacquer coating and would gum up your chamber or worse glue a case to the chamber walls.
While the issues with a lacquer coating are true of some Soviet made surplus ammo (I ran into some 7.62x54R ammo that was lacquer coated) it is not true of Polyformance ammo.
Incidentally Wolf does offer a 100% Performance Guarantee, click here for details.
As mentioned above the cases are made from steel and given a polymer coating. The cartridges appeared to have a taper crimp, although it is hard to tell.
The head stamps reads 9mm Luger along with a symbol.
I had read that some of the Wolf ammo uses steel or a steel/lead alloy in their bullets. So I used a magnet to check and sure enough the magnet stuck to the bullet. To be sure I wasn't getting a false reading from the steel case I pulled a bullet and checked it again. It took considerable effort to get the bullet to come loose from the case (evidence of a tight crimp) and once separated the bullet easily stuck to a magnet.
Further research uncovered differing stories. One source claimed the jacket on the Wolf bullets is made from sheets of thin steel and copper. Another claimed the jacket is steel that has been copper plated.
On with the testing.......
I began with a simple measuring of the cartridge. I took five random cartridges from the box of 50 and measured them:
Cartridge #1: 1.165"
Cartridge #2: 1.167"
Cartridge #3: 1.1635"
Cartridge #4: 1.155"
Cartridge #5: 1.162"
That gives us an average of 1.1625" with a variance of .012"
The SAAMI specs give us a minimum Combined Overall Length of 1.00" and a maximum of 1.169"
So while the cartridge length is not very consistent, it is with chamber specs.
Next I weighed them on my digital scale
Cartridge #1: 174.8 grains
Cartridge #2: 174.1 grains
Cartridge #3: 173.6 grains
Cartridge #4: 174.8 grains
Cartridge #5: 172.4 grains
That gives us an average of 173.94 grains with a variance of 1.2 grains
Prior to this session of shooting, I had never fired Wolf brand ammo (or any steel cased ammo) from a handgun.
Wolf advertises on their website a muzzle velocity of 1,150 fps, being this is pistol ammo we have to assume it was tested with a 3-5" barrel (see it here)
The results were not very good, out of two magazine loads we couldn't get a single bullet over 1000 fps. The average was just 560 fps. The fastest only ran 587 fps and the slowest was 501, a deviation of 86 fps.
We thought there was a problem with the chronograph, so we shot back to back Wolf and Sellier & Bellot ammo, and got the same results (the S&B ammo was moving over 1000fps, while the Wolf was around 500 fps).
To make matters worse, we experienced multiple failures to cycle the slide enough to eject the spent cases, further evidence of low pressure.
Definitely not what I would expect from factory ammo.
Next up: Blazer Brass
Blazer has been a trade name of Cascade Cartridges Incorporated for a long time. Most notably used on their line of economically priced lead .22 LR ammunition. The "Brass" in the name would alert an astute investigator to belief that this ammo also comes in a non-brass case. That is true, there is another line of Blazer centerfire ammo that uses non-reloadable aluminum cases.
CCI out of Lewiston, Idaho was founded by Dick Speer, brother to Speer founder Vernon Speer in the early 1950s. Today it is owned by Vista Outdoor.
This particular box of ammo was made in Lewiston, ID. The Blazer website says they use Speer bullets and CCI primers in the construction of their ammunition....a tradition that continues...
The head stamps reads Blazer 9mm Luger separated by dots
As with the Wolf cartridges above, I measured the COAL and weight of five random cartridges. What I found was very surprising:
Cartridge #1: 1.155" - 183.6 grains
Cartridge #2: 1.155" - 183.3 grains
Cartridge #3: 1.154" - 183.3 grains
Cartridge #4: 1.156" - 183.2 grains
Cartridge #5: 1.155" - 183.0 grains
The consistency was impressive, the average length was 1.155" with a variance of .002", the average weight was 183.28 grains with a variance of .6 grains.
While I am no expert, and our measurements just scratched the surface, I would say this kind of consistency would be on par with match grade ammunition.
For the record I have purchased and shot several boxes of this exact ammo before, but I had never bothered to measure or weigh the ammo.
Blazer advertises this ammo to leave the muzzle of a 4" barrel at 1,145 fps. (see it here)
This ammo was also disappointing in the velocity department. We did not get a single cartridge that pushed a bullet faster than 1000 fps.
Just as a above we checked it against the S&B ammo and confirmed the equipment was operating properly.
The average speed was a dismal 495 fps, the fastest going 574 fps and the slowest at 423 fps giving us a deviation of 151 fps. Disappointing to say the least.
After weighing and measuring the bullets I had high hopes for the Blazer....maybe we just got a bad batch??
Next up: Sellier & Bellot
Sellier & Bellot was started in 1825 by a Frenchmen named Louis Sellier. He set up shot in Bohemia (now in the Czech Republic) and was soon joined by fellow Frenchman Jean Bellot. The company operates from the town of Vlašim, Czech Republic.
The cartridges also have a distinct look, the brass case and copper plated bullet are the same color, which leads me to believe the full metal jacket bullet is washed or plated in brass.
These cartridges also have a very noticeable rolled crimp.
The head stamps reads S&B 9mm Luger and 18 for 2018
Again I measured the COAL and weight of five random cartridges. I found this ammo to be quite consistent as well.
Cartridge #1: 1.160" - 184.0 grains
Cartridge #2: 1.158" - 184.3 grains
Cartridge #3: 1.156" - 184.0 grains
Cartridge #4: 1.162" - 184.1 grains
Cartridge #5: 1.157" - 184.0 grains
The average length was 1.1586" with a variance of .005", the average weight was 184.08 grains with a variance of .3 grains.
This was also impressive. I have never fired any factory S&B ammo, but I have reloaded hundreds of rounds using their spent brass and have never found an issue with it.
Sellier & Bellot's website states this ammo should leave a 6" barrel at 1,237fps (see the info here)
If it were not for the consistent and reliable performance of the S&B ammo we probably would have blamed the equipment for the dismal performance of the other two cartridges.
The S&B ammo ran very consistent, although not living up to their promise of 1,237 fps.
The average was 1,178 fps with the fastest moving at 1,200 fps and the slowest at 1,129 fps giving us a deviation of 71 fps. We experienced zero malfunctions with this ammo.
I have always been impressed with S&B ammo and these tests confirmed my confidence in them.
Thursday, January 24, 2019
The 870 Wingmaster Project Part 5
If you missed the first three parts click on the links below
Part 1
Part 2
Part 3
Part 4
With the receiver/magazine, barrel and stocks ready, it is time to work over the small parts
I start with the bolt, the parts were filthy
I cleaned the parts with Hoppes #9, then I polished the firing pin and extractor plunger, the polished all the surfaces of the extractor, to reduce friction
Reassembled, ready for service.
Next I turn to the trigger guard assembly
plenty of filth & corrosion
A soak in Hoppes # 9
The trigger is polished
After sanding and polishing, these parts are ready to be reblued
Cleaning up the safety recess, 400 grit paper and a pencil to the trick
The plunger for the hammer spring, I used a .22 mag shell case wrapped in sand paper to clean up the inside
To polish the outside, I chucked it into my cordless drill and polished it with sand paper at high speed
I did the same with the pivot pins, here you can see before and after
I cleaned up the hammer and polished any surface that would contact another part
All the non-blued parts cleaned up and ready to go
The carrier showed up, here it is next to the old one
And after installing the carrier dog
Then I cleaned up the trigger assembly pins and recoil pad screws
And the other small parts
I was bluing some other gun parts so I reblued the parts for the 870 that I had ready to go
Next I paint the safety/fire indicator with red enamel paint
Time to make this mess of parts into a working trigger assembly
After a few choice words and some tinkering, I got it together
Finished:
Costs for this project:
Shotgun purchase: $14 (give or take)
Used carrier: $12.50
Butt stock: $5.00
Forearm: $5.00
Recoil pad: $1
Sling Swivel Set: $1.37
Brass Bead: $5.95
Total: $44.82
edit: Action Bar Lock Spring: $12.95
New Total: $57.81
Before and after pictures
I had a couple of issues I needed to fix after putting the gun together.
The shell latches were coming loose and causing binding. So I bought a shell latch staking tool from Midway USA
The tool dimples the metal on both the frame and the latch, keeping it in place, just as the factory did
The second issue is the action bar would not return to its normal state, I thought it was biding or rubbing on the side of the receiver, but I came to the conclusion that the spring must be old and week, so I ordered a new one
My suspicions were confirmed, the spring was weak, the gun now functions like a champ
On to the next project
Part 1
Part 2
Part 3
Part 4
With the receiver/magazine, barrel and stocks ready, it is time to work over the small parts
I start with the bolt, the parts were filthy
I cleaned the parts with Hoppes #9, then I polished the firing pin and extractor plunger, the polished all the surfaces of the extractor, to reduce friction
Reassembled, ready for service.
Next I turn to the trigger guard assembly
plenty of filth & corrosion
A soak in Hoppes # 9
The trigger is polished
There was some pitting on the action release
After sanding and polishing, these parts are ready to be reblued
Cleaning up the safety recess, 400 grit paper and a pencil to the trick
The plunger for the hammer spring, I used a .22 mag shell case wrapped in sand paper to clean up the inside
To polish the outside, I chucked it into my cordless drill and polished it with sand paper at high speed
I did the same with the pivot pins, here you can see before and after
I cleaned up the hammer and polished any surface that would contact another part
All the non-blued parts cleaned up and ready to go
The carrier showed up, here it is next to the old one
And after installing the carrier dog
Then I cleaned up the trigger assembly pins and recoil pad screws
And the other small parts
I was bluing some other gun parts so I reblued the parts for the 870 that I had ready to go
Next I paint the safety/fire indicator with red enamel paint
Time to make this mess of parts into a working trigger assembly
After a few choice words and some tinkering, I got it together
Finished:
Costs for this project:
Shotgun purchase: $14 (give or take)
Used carrier: $12.50
Butt stock: $5.00
Forearm: $5.00
Recoil pad: $1
Sling Swivel Set: $1.37
Brass Bead: $5.95
Total: $44.82
edit: Action Bar Lock Spring: $12.95
New Total: $57.81
Before and after pictures
I had a couple of issues I needed to fix after putting the gun together.
The shell latches were coming loose and causing binding. So I bought a shell latch staking tool from Midway USA
The tool dimples the metal on both the frame and the latch, keeping it in place, just as the factory did
The second issue is the action bar would not return to its normal state, I thought it was biding or rubbing on the side of the receiver, but I came to the conclusion that the spring must be old and week, so I ordered a new one
My suspicions were confirmed, the spring was weak, the gun now functions like a champ
On to the next project
Subscribe to:
Comments (Atom)


























